Nos Projets de Renforcement
Explorez une sélection de nos projets de renforcement










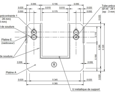
Espace Gramont – Renforcement du Parking Silo
Nous sommes intervenu au sein du centre commercial Gramont à Toulouse, où nous avons pris en charge la maîtrise d'œuvre pour le renforcement crucial du parking silo.
Le parking silo est un bâtiment de 18 500 m², constitué par une structure plancher-dalle précontrainte sur deux niveaux.
Les planchers présentaient des signes révélateurs d’un défaut de capacité portante (déformée excessive et fissuration importante), attribués à un déficit de précontraint. Nous avons imaginé les travaux suivants pour renforcer la structure du parking silo :
2 500 mètres de poutres réalisées en sous-œuvre
17 000 mètres de renforts carbone par lamelles engravées.
Informations concernant le projet :
- Maitrise d'ouvrage : ALTAREA France
- Groupement de Maitrise d’œuvre: EuroConcept Structure / MAJOURET / ALAYRAC
- Entreprise : Eiffage Construction Occitanie
- Montant des travaux : 6.5 M€






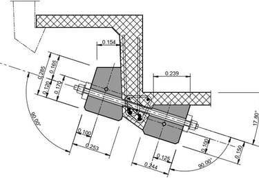
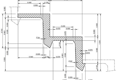
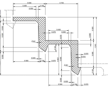
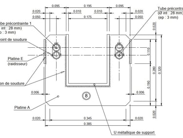
Renforcement des gradins du Parc des Princes
Nous sommes intervenus dans le cadre des travaux de renforcement des gradins haut du Parc des Princes afin de réaliser les études d’exécution.
Les interventions sur cet ouvrage exceptionnel sont toujours un challenge technique très enrichissant. La mise en œuvre d’une précontrainte additionnelle et de renforcements carbones ont permis d’améliorer le comportement des gradins.
Informations concernant le projet :
- Maitrise d'ouvrage : Ville de Paris
- Maitrise d’œuvre: SIXENSE
- Entreprise : Freyssinet ile de France




















